LZZBJ9-10GY1 全封閉支柱式電流互感器
產品概述:
本型電流互感器為環氧樹脂真空澆注全封閉支柱式結構, 主要適用于額定頻率為50Hz或60Hz, 額定電壓10kV及以下電力系統中作電能計量、 電流測量和繼電保護用。
本產品符合GB 20840.1-2010《互感器第1部分:通用技術要求》、 GB 20840.2-2014《互感器第2部分: 電流互感器的補充技術要求》和JJG 313-2010《測量用電流互感器檢定規程》
型號含義:

使用環境:
1、絕緣水平;12/42/75kV ;
2、功率因數:cosφ=0.8(滯后)
3、額定二次電流:5A或1A;
4、額定頻率:50Hz或者60Hz;
5、重量:25kg。
技術參數:
1、絕緣水平:12/42/75kV;
2、功率因數;cosφ=0.8(滯后);
3、額定二次電流:5A或1A;
4、額定頻率;50Hz或者60Hz;
5、重量:27kg。
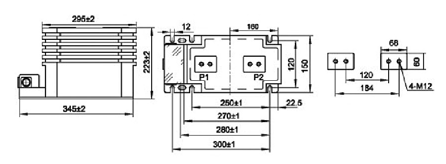
外形安裝尺寸:





























