RW12高壓跌落式熔斷器
概述:
跌落式熔斷器是配電線路分支線和配電變壓器最常見的一種短路保護開關。它具有經濟、操作方便、適應戶外環境性強等特點,被廣泛應用于配電線路和配電變壓器一次側作為保護和進行設備投、切操作之用。安裝在配電線路分支上,可縮小停電范圍。因其有一個明顯的斷開點,具有了隔離開關的功能,給檢修線路和設備創造了一個安全作業環境,增加了檢修人員的安全性。帶拉負荷的跌落式熔斷器,還配有彈性輔助觸頭和滅弧罩,用以分合額定負荷電流。
用途及執行標準:
本產品使用于10~35kV配電線路分支線和配電變壓器一次側,用于過載和短路保護,分合額定負荷電流。
本產品型號按JB/T8321-1996《交流高壓熔斷器型號編制辦法》的規定進行編制,產品參數按GB15166.3-1994《交流高壓熔斷器 噴射式熔斷器》標準執行。對該標準中未明確定義的重要參數及配置方式,按JB/DQ2139-1986《10-35kV戶外交流高壓跌落式熔斷器暫行技術條件》的要求修正執行。
使用條件:
* 環境溫度:不高于+40℃,不低于-30℃;
* 海拔高度:不超過1000m;(1000m以上可按GB311.1-1997進行修正);
* 電源頻率:50±2Hz;
* 烈度:7度以下
* 最大風速:35m/s
主要技術參數:
|
型號 |
額定電壓kv |
額定電流A |
開斷電流kA |
沖擊電壓BIL |
工頻耐壓kv |
|
PR12W-10/100 |
12 |
100 |
6.3 |
110 |
42 |
|
PR12W-10/200 |
12 |
200 |
12.5 |
110 |
42 |
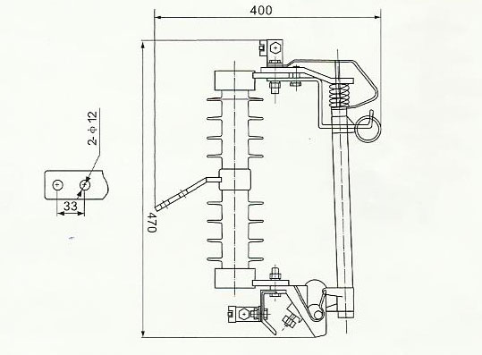
外形及安裝尺寸:


工作原理:
熔絲管兩端的動觸頭依靠熔絲(熔體)系緊,將上動觸頭推入"鴨嘴"凸出部分后,磷銅片等制成的上靜觸頭頂著上動觸頭,故而熔絲管牢固地卡在"鴨嘴"里。當短路電流通過熔絲熔斷時,產生電弧,熔絲管內襯的鋼紙管在電弧作用下產生大量的氣體因熔絲管上端被封死,氣體向下端噴出,吹滅電弧。由于熔絲熔斷,熔絲管的上下動觸頭失去熔絲的系緊力,在熔絲管自身重力和上、下靜觸頭彈簧片的作用下,熔絲管迅速跌落,使電路斷開,切除故障段線路或者故障設備。
在現實的10kV線路系統中和配電變壓器上的熔斷器不能正確動作,其原因之一是,電工素質差,責任心不強,常年不進行跌落式熔斷器的維護和檢修;原因之二是,跌落式熔斷器的產品質量低劣,不能靈活的拉、合操作。兩原因降低了跌落式熔斷器的功能。現實中經常出現缺熔管、缺熔體或用銅絲、鋁絲甚至于鐵絲勾掛代替熔體的情況。使得線路的跳閘率和配電變壓器的故障率居高不下。

















